24V Programmable DC Controller 70 Ampere for 5 kOhm Wig-Wag 5-0-5 Potentiometer

24V Programmable DC Controller 70 Ampere for 5 kOhm Wig-Wag 5-0-5 Potentiometer 24V Programmable DC Controller 70 Ampere for 5 kOhm Wig-Wag 5-0-5 Potentiometer
24V Programmable DC Controller 70 Ampere for 5 kOhm Wig-Wag 5-0-5 Potentiometer 24V Programmable DC Controller 70 Ampere for 5 kOhm Wig-Wag 5-0-5 Potentiometer
24V Programmable DC Controller 70 Ampere for 5 kOhm Wig-Wag 5-0-5 Potentiometer
24V DC 70A programmable controller. Suitable for upper controllers with a 5-0-5 potentiometer, such as a wig-wag switch from a mobility scooter.

Product number

50301087

€ 167,90
excl. VAT
€ 203,16
incl. VAT
Quantity: 
Order
 

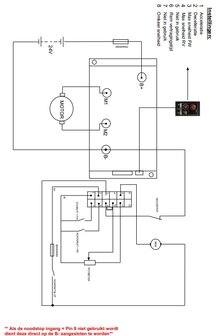
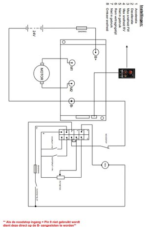
PMA Programmable 24V DC 70A Controller

This controller is suitable for permanent magnet DC motors. The controller offers the option of controlling the speed via a 5K POT meter (0-5) or (5-0-5)

Technical details

  • Working voltage: 24 Volt
  • Minmial working voltage: 16 volt
  • Max working voltage: 32 Volt
  • Maximum current for 1 hour (controller mounted on heatsink, ambient temperature 20°C, natural ventilation): 60 Amperes
  • Maximum current limit (1 minute): 70 Amperes
  • Switching frequency: 15 kHz
  • Minimum / maximum temperature: -20 / +40°C
  • Voltage limit (minimum): 16 V at 25°C
  • Motor voltage at nominal load (Imot = 40 A): 23.4 V (with 24 V battery, 25°C)

Computer programming

The Controller can be programmed for a number of characteristics, namely;
1. Acceleration - standard setting: 80%
2. Deceleration - standard setting 90%
3. Maximum forward speed - standard setting 100%
4. Maximum reverse speed - standard setting 100%
5. Drive direction - standard setting fwd and rev
6. NOT in use
7. NOT in use
8. Time for activating the electric brake
9. Max current - standard setting 100%

Optionally available programmer unit

NB! You need a separate programming unit to program. If you need this once, you can also borrow it or we can program the settings for you. Ask about the options by phone +31 575 513 503

You can download the controller manual here

Thumb throttle

This controller is NOT working with 5V Hall throttles.

Voltage
24V DC
Programmable
Yes
Weight
850gr
Operating condition
-20 degrees Celcius to +40 degrees Celcius